电气定位器  ★★★
  • P02
  • 概述

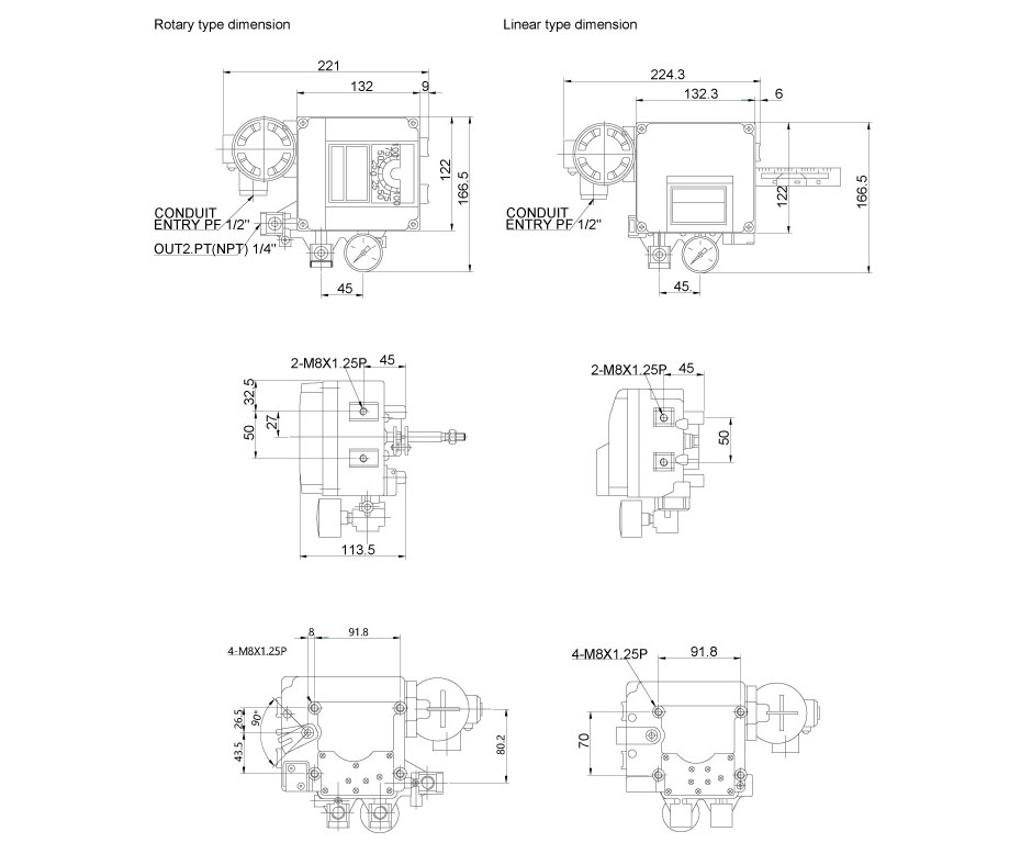
    P02系列电气定位器适用于阀门的直线和旋转定位。 它将电流信号转换为气压来控制气动头,从而控制阀门的打开。该产品便于在直接动作和后退动作之间切换,或者在弹簧复位和双动作之间切换。

    特点

    • 低耗气量
    • 易于操作零位调整和放大倍数调整
    • 快速执行并且简单连接反馈手柄
    • 在5~200Hz范围无振动
    • 可以设置1/2分割范围,操作简单,无需更换零件
    • 反馈手柄连接简单
    • 执行快速、准确
    • 由于空气消耗较少而经济
    • 小型气动头可以使用导向阀的孔口来避免振动

    项目参数
    输入信号4~20mA DC
    电阻250±15 Ohm
    气源压力0.14Mpa~0.7Mpa(1.4Bar~7Bar)
    行程线型: 10~150mm, 旋转的: 0°~90°
    气源连接PT(NPT)1/4"
    测量连接PT(NPT)1/8"
    线圈PF1/2"(G1/2")
    防护等级IP65
    防爆等级Exia II CT4-6, or Exd II CT6
    环境温度-20℃~70℃(操作),-20℃~60℃(爆炸)
    线性±1%F.S.单作用,±2%F.S.双作用
    滞后±1%F.S.
    灵敏度±0.4%F.S单作用, ±0.8%F.S双作用
    重复性±0.5%F.S
    材料聚酯粉铝合金
    重量2.7Kg