|
|
|
 铸造固定球法兰球阀 ★★★★ B61
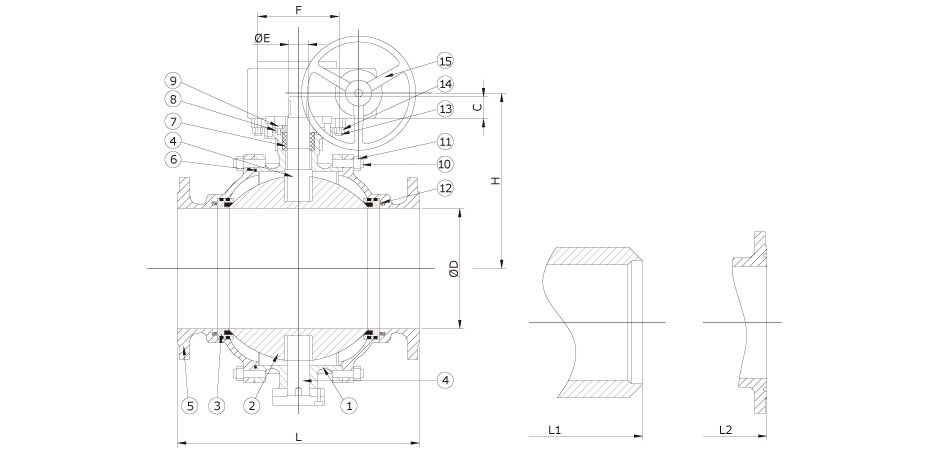
概述 B61系列铸造固定球法兰球阀根据API 608设计,适用于阻断各种介质。与浮动球阀相比,在压力作用下,阀球稳定在其位置,并且该压力将阀座推向阀球以形成密封性,所有负载都推向阀杆和轴承,因此,阀座受到保护,扭矩低,密封稳定,使用寿命长。 特点 • 螺栓连接的阀盖,两片体阀体尺寸为12” 以下,三片体阀体尺寸为12” 及以上全通径设计有更好的Kv/Cv • 防脱出阀轴 • 可提供纯PTFE和25%碳纤维增强RPTFE阀座 • 用于球轴体的防静电装置 • 防火安全设计 • 固定式球 • 法兰或对接焊接头 • 提供蜗轮传动装置
| 设计标准 | API 608/API 6D | | 防火安全标准 | API 607 | | 连接标准 | 法兰符合ASME B16.5, 对焊符合ASME B16.25 | | 公称直径 | 2"-36" | | 压力等级 | ANSI Class150, ANSI Class300,ANSI Class600 | | 结构长度 | ASME B16.10 | | 温度范围 | -20°C ~ +200°C非金属密封阀座, -40°C ~ +360°C硬密封阀座 | | 操作装置 | 手柄、齿轮箱 |

| 编号 | 零件名称 | 材质 | | 1 | 阀体 | CF8M | LCB | WCB | | 2 | 阀球 | SS316 | SS304 | SS304 | | 3 | 阀座 | PTFE, RPTFE, PEEK, 金属阀座 | | 4 | 阀轴 | SS316 | SS304 | SS304 | | 5 | 阀盖 | CF8M | LCB | WCB | | 6 | 阀盖垫圈 | 石墨+316 | | 7 | 填料 | RPTFE, 石墨 | | 8 | 密封压盖 | SS304 | | 9 | 压盖螺栓 | A193 B8 | A193 B7 | A193 B7 | | 10 | 阀盖螺栓 | A193 B8 | A320 L7 | A193 B7 | | 11 | 发改螺母 | A194 8 | A194 4 | A194 2H | | 12 | 阀座弹簧 | 铬镍铁合金 X-750 | SS304 | SS304 | | 13 | 顶部法兰螺栓 | A193 B8 | A320 L7 | A193 B7 | | 14 | 顶部法兰螺母 | A194 8 | A194 4 | A194 2H | | 15 | 齿轮箱 | 碳钢外壳 |

| 尺寸 | Class150 | Class150 重量(kg) | Class300 | Class300 重量(kg) | | DN | 英寸 | D | C | E | F | H | L | L1 | RF | BW | D | C | E | F | H | L | L1 | RF | BW | | 50 | 2" | 49 | 45 | 22 | F10 | 177 | 178 | 216 | 15 | 13.5 | 49 | 45 | 22 | F10 | 177 | 216 | 216 | 19 | 14 | | 65 | 2 1/2" | 64 | 50 | 24 | F10 | 190 | 190 | 241 | 19 | 15.5 | 64 | 50 | 24 | F10 | 190 | 241 | 241 | 24 | 16 | | 80 | 3" | 76 | 55 | 28 | F12 | 210 | 203 | 283 | 27 | 24.5 | 76 | 55 | 28 | F12 | 210 | 283 | 283 | 34 | 25 | | 100 | 4" | 100 | 55 | 32 | F12 | 235 | 229 | 305 | 38 | 32.5 | 100 | 55 | 32 | F12 | 235 | 305 | 305 | 48 | 34 | | 150 | 6" | 150 | 72 | 38 | F16 | 530 | 394 | 457 | 81 | 76 | 150 | 72 | 38 | F16 | 530 | 403 | 403 | 101 | 82 | | 200 | 8" | 200 | 81 | 50 | F25 | 625 | 457 | 521 | 140 | 132 | 200 | 81 | 50 | F25 | 625 | 502 | 521 | 175 | 145 | | 250 | 10" | 250 | 81 | 55 | F25 | 650 | 533 | 559 | 160 | 147 | 250 | 81 | 55 | F25 | 650 | 568 | 559 | 200 | 155 | | 300 | 12" | 300 | 110 | 63 | F25 | 780 | 610 | 635 | 205 | 182 | 300 | 110 | 63 | F25 | 780 | 648 | 635 | 255 | 185 | | 350 | 14" | 350 | 110 | 68 | F25 | 790 | 686 | 762 | 260 | 241 | 350 | 110 | 68 | F25 | 790 | 762 | 762 | 325 | 238 | | 400 | 16" | 400 | 115 | 78 | F25 | 920 | 762 | 838 | 390 | 370 | 400 | 115 | 78 | F25 | 920 | 838 | 838 | 485 | 375 | | 450 | 18" | 450 | 115 | 92 | F25 | 970 | 864 | 914 | 510 | 495 | 450 | 115 | 92 | F25 | 970 | 914 | 914 | 635 | 516 | | 500 | 20" | 500 | 115 | 98 | F30 | 1100 | 914 | 991 | 750 | 726 | 500 | 115 | 98 | F30 | 1100 | 991 | 991 | 935 | 782 | | 600 | 24" | 600 | 130 | 105 | F30 | 1150 | 1067 | 1143 | 1200 | 1125 | 600 | 130 | 105 | F30 | 1150 | 1143 | 1143 | 1500 | 1280 |
|
| 设计标准 | API 608/API 6D | | 防火安全标准 | API 607 | | 连接标准 | 法兰符合ASME B16.5, 对焊符合ASME B16.25 | | 公称直径 | 2"-36" | | 压力等级 | ANSI Class150, ANSI Class300,ANSI Class600 | | 结构长度 | ASME B16.10 | | 温度范围 | -20°C ~ +200°C非金属密封阀座, -40°C ~ +360°C硬密封阀座 | | 操作装置 | 手柄、齿轮箱 |
概述 B61系列铸造固定球法兰球阀根据API 608设计,适用于阻断各种介质。与浮动球阀相比,在压力作用下,阀球稳定在其位置,并且该压力将阀座推向阀球以形成密封性,所有负载都推向阀杆和轴承,因此,阀座受到保护,扭矩低,密封稳定,使用寿命长。 特点 • 螺栓连接的阀盖,两片体阀体尺寸为12” 以下,三片体阀体尺寸为12” 及以上全通径设计有更好的Kv/Cv • 防脱出阀轴 • 可提供纯PTFE和25%碳纤维增强RPTFE阀座 • 用于球轴体的防静电装置 • 防火安全设计 • 固定式球 • 法兰或对接焊接头 • 提供蜗轮传动装置

| 编号 | 零件名称 | 材质 | | 1 | 阀体 | CF8M | LCB | WCB | | 2 | 阀球 | SS316 | SS304 | SS304 | | 3 | 阀座 | PTFE, RPTFE, PEEK, 金属阀座 | | 4 | 阀轴 | SS316 | SS304 | SS304 | | 5 | 阀盖 | CF8M | LCB | WCB | | 6 | 阀盖垫圈 | 石墨+316 | | 7 | 填料 | RPTFE, 石墨 | | 8 | 密封压盖 | SS304 | | 9 | 压盖螺栓 | A193 B8 | A193 B7 | A193 B7 | | 10 | 阀盖螺栓 | A193 B8 | A320 L7 | A193 B7 | | 11 | 发改螺母 | A194 8 | A194 4 | A194 2H | | 12 | 阀座弹簧 | 铬镍铁合金 X-750 | SS304 | SS304 | | 13 | 顶部法兰螺栓 | A193 B8 | A320 L7 | A193 B7 | | 14 | 顶部法兰螺母 | A194 8 | A194 4 | A194 2H | | 15 | 齿轮箱 | 碳钢外壳 |

| 尺寸 | Class150 | Class150 重量(kg) | Class300 | Class300 重量(kg) | | DN | 英寸 | D | C | E | F | H | L | L1 | RF | BW | D | C | E | F | H | L | L1 | RF | BW | | 50 | 2" | 49 | 45 | 22 | F10 | 177 | 178 | 216 | 15 | 13.5 | 49 | 45 | 22 | F10 | 177 | 216 | 216 | 19 | 14 | | 65 | 2 1/2" | 64 | 50 | 24 | F10 | 190 | 190 | 241 | 19 | 15.5 | 64 | 50 | 24 | F10 | 190 | 241 | 241 | 24 | 16 | | 80 | 3" | 76 | 55 | 28 | F12 | 210 | 203 | 283 | 27 | 24.5 | 76 | 55 | 28 | F12 | 210 | 283 | 283 | 34 | 25 | | 100 | 4" | 100 | 55 | 32 | F12 | 235 | 229 | 305 | 38 | 32.5 | 100 | 55 | 32 | F12 | 235 | 305 | 305 | 48 | 34 | | 150 | 6" | 150 | 72 | 38 | F16 | 530 | 394 | 457 | 81 | 76 | 150 | 72 | 38 | F16 | 530 | 403 | 403 | 101 | 82 | | 200 | 8" | 200 | 81 | 50 | F25 | 625 | 457 | 521 | 140 | 132 | 200 | 81 | 50 | F25 | 625 | 502 | 521 | 175 | 145 | | 250 | 10" | 250 | 81 | 55 | F25 | 650 | 533 | 559 | 160 | 147 | 250 | 81 | 55 | F25 | 650 | 568 | 559 | 200 | 155 | | 300 | 12" | 300 | 110 | 63 | F25 | 780 | 610 | 635 | 205 | 182 | 300 | 110 | 63 | F25 | 780 | 648 | 635 | 255 | 185 | | 350 | 14" | 350 | 110 | 68 | F25 | 790 | 686 | 762 | 260 | 241 | 350 | 110 | 68 | F25 | 790 | 762 | 762 | 325 | 238 | | 400 | 16" | 400 | 115 | 78 | F25 | 920 | 762 | 838 | 390 | 370 | 400 | 115 | 78 | F25 | 920 | 838 | 838 | 485 | 375 | | 450 | 18" | 450 | 115 | 92 | F25 | 970 | 864 | 914 | 510 | 495 | 450 | 115 | 92 | F25 | 970 | 914 | 914 | 635 | 516 | | 500 | 20" | 500 | 115 | 98 | F30 | 1100 | 914 | 991 | 750 | 726 | 500 | 115 | 98 | F30 | 1100 | 991 | 991 | 935 | 782 | | 600 | 24" | 600 | 130 | 105 | F30 | 1150 | 1067 | 1143 | 1200 | 1125 | 600 | 130 | 105 | F30 | 1150 | 1143 | 1143 | 1500 | 1280 |
|