|
|
|
 球铁对夹双板止回阀 ★★★★ C12
概述 C12系列球铁对夹双板止回阀是一种自动止回阀,适用于允许单向流动并防止相反方向回流。在上游压力超过下游压力和弹簧弹性的情况下,板打开。当流速上游减小或停止时,弹簧将在流动逆转之前自动关闭双板。这可以形成正向关闭逆流并消除系统浪涌和水锤。 特点 • 短结构长度尺寸 • 重量比传统的止回阀更轻 • 由于双阀板设计,开启压力低,关闭快速 • 停止轴在高流速下可稳定住板 • 长臂弹簧可防止阀座上的摩擦
| 连接标准 | 对夹式 | | 公称直径 | DN50-DN1200 | | 压力等级 | PN10, PN16, PN25, ANSI CLASS150 | | 结构长度 | EN558系列16 | | 温度范围 | -20°C ~ +85°C for NBR seat | | -20°C ~ +130°C for EPDM seat | | -20°C ~ +180°C for FPM seat | | 涂层 | 环氧喷涂 |

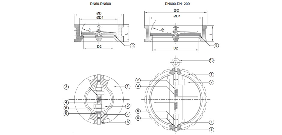
| 编号 | 零件名称 | 材质 | | 1 | 阀体 | 球墨铸铁 | | 2 | 阀板 | CF8,CF8M | | 3 | 阀轴 | SS304,SS316 | | 4 | 弹簧 | SS304,SS316 | | 5 | 轴承 | PTFE | | 6 | 轴承 | PTFE | | 7 | O型密封圈 | 和阀座一样 | | 8 | 六角螺钉 | SS304,SS316 | | 9 | 阀座 | NBR,EPDM,FPM | | 10 | 吊环螺栓 | SS304,SS316 |

| 尺寸 | D | D1 | D2 | L | R | 重量(kg) | | DN | 英寸 | PN10 | PN16 | PN25 | Class150 | | 50 | 2" | 109 | 109 | 109 | 104 | 65 | 40 | 43 | 29 | 1.5 | | 65 | 2 1/2" | 129 | 129 | 129 | 123 | 80 | 60 | 46 | 36 | 2.4 | | 80 | 3" | 144 | 144 | 144 | 136 | 94 | 70 | 64 | 43 | 3.6 | | 100 | 4" | 164 | 164 | 164 | 174 | 117 | 88 | 64 | 53 | 5.7 | | 125 | 5" | 194 | 194 | 196 | 196 | 145 | 115 | 70 | 66 | 7.3 | | 150 | 6" | 220 | 220 | 226 | 222 | 170 | 134 | 76 | 79 | 9 | | 200 | 8" | 275 | 275 | 286 | 279 | 224 | 182 | 89 | 104 | 17.2 | | 250 | 10" | 330 | 330 | 343 | 339 | 265 | 220 | 114 | 127 | 26.3 | | 300 | 12" | 380 | 386 | 403 | 409 | 310 | 260 | 114 | 148 | 42.1 | | 350 | 14" | 440 | 446 | 460 | 450 | 360 | 298 | 127 | 172 | 55.2 | | 400 | 16" | 491 | 494 | 517 | 514 | 410 | 350 | 140 | 197 | 75.3 | | 450 | 18" | 541 | 558 | 567 | 549 | 450 | 385 | 152 | 218 | 101.2 | | 500 | 20" | 596 | 620 | 627 | 606 | 505 | 438 | 152 | 241 | 111.3 | | 600 | 24" | 698 | 737 | 734 | 717 | 624 | 538 | 178 | 295 | 172 | | 700 | 28" | 813 | 807 | 836 | 831 | 720 | 680 | 229 | 350 | 340 | | 800 | 32" | 920 | 914 | 945 | 939 | 825 | 770 | 241 | 400 | 520 | | 900 | 36" | 1020 | 1014 | 1045 | 1047 | 903 | 898 | 241 | 450 | 600 | | 1000 | 40" | 1127 | 1131 | 1158 | 1162 | 1055 | 1050 | 300 | 500 | 820 | | 1200 | 48" | 1344 | 1344 | | 1384 | 1205 | 1200 | 350 | 600 | 1300 |
|
| 连接标准 | 对夹式 | | 公称直径 | DN50-DN1200 | | 压力等级 | PN10, PN16, PN25, ANSI CLASS150 | | 结构长度 | EN558系列16 | | 温度范围 | -20°C ~ +85°C for NBR seat | | -20°C ~ +130°C for EPDM seat | | -20°C ~ +180°C for FPM seat | | 涂层 | 环氧喷涂 |
概述 C12系列球铁对夹双板止回阀是一种自动止回阀,适用于允许单向流动并防止相反方向回流。在上游压力超过下游压力和弹簧弹性的情况下,板打开。当流速上游减小或停止时,弹簧将在流动逆转之前自动关闭双板。这可以形成正向关闭逆流并消除系统浪涌和水锤。 特点 • 短结构长度尺寸 • 重量比传统的止回阀更轻 • 由于双阀板设计,开启压力低,关闭快速 • 停止轴在高流速下可稳定住板 • 长臂弹簧可防止阀座上的摩擦

| 编号 | 零件名称 | 材质 | | 1 | 阀体 | 球墨铸铁 | | 2 | 阀板 | CF8,CF8M | | 3 | 阀轴 | SS304,SS316 | | 4 | 弹簧 | SS304,SS316 | | 5 | 轴承 | PTFE | | 6 | 轴承 | PTFE | | 7 | O型密封圈 | 和阀座一样 | | 8 | 六角螺钉 | SS304,SS316 | | 9 | 阀座 | NBR,EPDM,FPM | | 10 | 吊环螺栓 | SS304,SS316 |

| 尺寸 | D | D1 | D2 | L | R | 重量(kg) | | DN | 英寸 | PN10 | PN16 | PN25 | Class150 | | 50 | 2" | 109 | 109 | 109 | 104 | 65 | 40 | 43 | 29 | 1.5 | | 65 | 2 1/2" | 129 | 129 | 129 | 123 | 80 | 60 | 46 | 36 | 2.4 | | 80 | 3" | 144 | 144 | 144 | 136 | 94 | 70 | 64 | 43 | 3.6 | | 100 | 4" | 164 | 164 | 164 | 174 | 117 | 88 | 64 | 53 | 5.7 | | 125 | 5" | 194 | 194 | 196 | 196 | 145 | 115 | 70 | 66 | 7.3 | | 150 | 6" | 220 | 220 | 226 | 222 | 170 | 134 | 76 | 79 | 9 | | 200 | 8" | 275 | 275 | 286 | 279 | 224 | 182 | 89 | 104 | 17.2 | | 250 | 10" | 330 | 330 | 343 | 339 | 265 | 220 | 114 | 127 | 26.3 | | 300 | 12" | 380 | 386 | 403 | 409 | 310 | 260 | 114 | 148 | 42.1 | | 350 | 14" | 440 | 446 | 460 | 450 | 360 | 298 | 127 | 172 | 55.2 | | 400 | 16" | 491 | 494 | 517 | 514 | 410 | 350 | 140 | 197 | 75.3 | | 450 | 18" | 541 | 558 | 567 | 549 | 450 | 385 | 152 | 218 | 101.2 | | 500 | 20" | 596 | 620 | 627 | 606 | 505 | 438 | 152 | 241 | 111.3 | | 600 | 24" | 698 | 737 | 734 | 717 | 624 | 538 | 178 | 295 | 172 | | 700 | 28" | 813 | 807 | 836 | 831 | 720 | 680 | 229 | 350 | 340 | | 800 | 32" | 920 | 914 | 945 | 939 | 825 | 770 | 241 | 400 | 520 | | 900 | 36" | 1020 | 1014 | 1045 | 1047 | 903 | 898 | 241 | 450 | 600 | | 1000 | 40" | 1127 | 1131 | 1158 | 1162 | 1055 | 1050 | 300 | 500 | 820 | | 1200 | 48" | 1344 | 1344 | | 1384 | 1205 | 1200 | 350 | 600 | 1300 |
|