圆顶半球阀  ★★★★★
  • B72INF
  • 圆顶阀的独特性在于:它可以切断通往压力罐的流动料流或静止料柱,然后关闭实现密封,从而保证压力罐的充填率为100%。

    B72INF 系列圆顶半球阀采用独特的充气模块设计及阀座充气密封结构,当半球处于开启状态或开关过程时,半球与阀座间有充分间隙保证半球与阀座之间无摩擦,当半球处于关闭状态时,充气模块根据位置感应自动向阀座气囊充气,为密封提供均匀分布的压力。当处理磨蚀性物料时,充气结构密封圈可以内陷物料颗粒,避免了由于压差作用物料颗粒发生滑动对阀座和阀球的磨损。

    由于阀门运行过程中没有阀球与阀座间的摩擦,一个 B72INF 圆顶半球阀的寿命能达到三百多万次循环周期, 甚至在阀座或阀球受到物料严重冲刷磨损的情况下也能提供联系的磨损补偿。

    对于渣浆,散装粉末,颗粒,不规则固体,气体和气粉,B72INF 圆顶半球阀确保了系统运行的可靠性和效率。

    连 接 双法兰
    公称直径 DN150-DN300
    最高工作压力 10bar
    标准工作压力 全真空 ~8bar ( 根据现场气源 )
    法兰标准 EN1092 PN10/16,GB/T 9119
    结构长度 EN558 Series 36
    上法兰 ISO 5211
    密封测试 ISO 5208 Category 3, API 598 Table 5
    温度范围 -40° C to +350° C (Depending on pressure, medium and material)
    操作装置 气缸 (DA, SA)
    扭 矩 根据介质及使用有所不同
    序号 部件 材质简称 标准 耐腐耐磨处理或温度备注
    1 阀体 304 ASTM A351 CF8 酸洗钝化
    304 喷碳化钨 ASTM A351 CF8+WC 内部喷碳化钨,外部酸洗钝化
    304 喷陶瓷 ASTM A351 CF8+TC 内部喷陶瓷,外部酸洗钝化
    2 阀球 304 ASTM A351 CF8 酸洗钝化
    304 喷碳化钨 ASTM A351 CF8+WC 喷碳化钨
    304 喷陶瓷 ASTM A351 CF8+TC 喷陶瓷
    304 焊司太立 ASTM A351 CF8+STL 密封面堆焊司太立合金
    3 阀座 耐磨三元乙丙 EPDM-HT -20℃ ~120℃
    H160 H160 -20℃ ~160℃
    F260 F260 -20℃ ~260℃
    304 钻石渗透 ASTM A351 CF8+Diamond -35℃ ~400℃
    4 阀轴 431 SS431  
    304 SS304  
    5 填料压盖 304 ASTM A351 CF8 酸洗钝化
    6 底盖 316 ASTM A351 CF8M 酸洗钝化
    7 填料 RPTFE RPTFE with 25% carbon
    fiber reinforced
     
    石墨 Graphite  
    8 轴承 RPTFE RPTFE with Graphite I.D.  
    SS316 喷高温高分子 SS316 高温高分子喷涂
    9 螺钉 不锈钢 SS304  


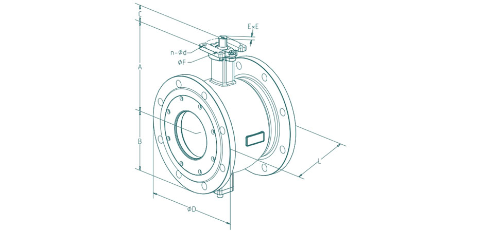
    尺 寸 A B C D E F n d L 含气缸参考 重量 (kg)
    DN 英寸
    150 6" 203 150 18.5 285 17 102 4 11 229 50
    200 8" 239 186 24.5 340 22 102 4 11 243 83
    250 10" 275 226 24.5 395 22 102 4 11 297 120
    300 12" 307 251 30 445 27 125 4 13 338 180