|
|
|
 铸钢不锈钢双板对夹止回阀 ★★★★★ C22
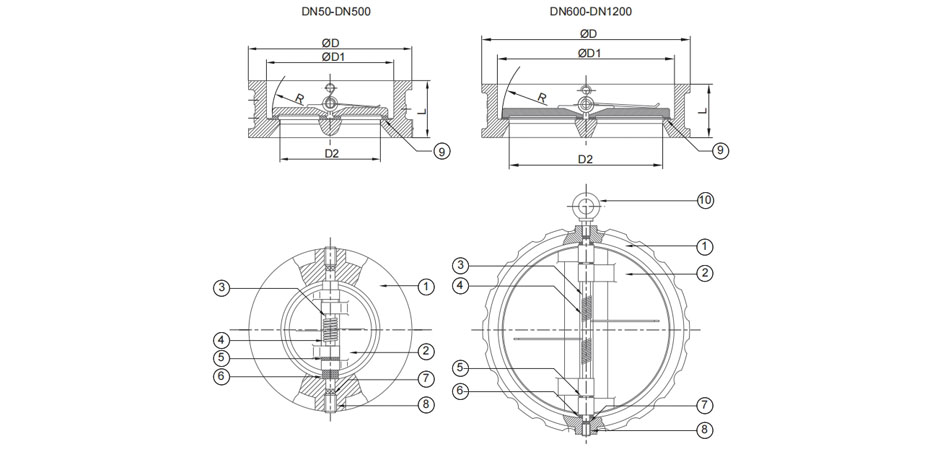
概述 C22系列铸钢不锈钢双板对夹止回阀是一种自动止回阀,适用于允许单向流动并防止相反方向回流。在上游压力超过下游压力和弹簧弹性的情况下,板打开。当流速上游减小或停止时,弹簧将在流动逆转之前自动关闭双板。这可以形成正向关闭逆流并消除系统浪涌和水锤。 特点 • 短结构长度尺寸 • 重量比传统的全身止回阀更轻 • 由于双阀板设计,开启压力低,关闭迅速 • 停止轴在高流速下稳定住板 • 长臂弹簧可防止阀座上的摩擦
| 连接标准 | 对夹式 | | 公称直径 | DN50-DN1200 | | 压力等级 | PN10, PN16, PN25 ANSI CLASS150 | | 结构长度 | EN558系列16橡胶座, API 594金属阀座 | | 钢体涂层 | 碳钢为喷涂系列B |

| 编号 | 零件名称 | 材质 | | 1 | 阀体 | WCB, CF8, CF8M | | 2 | 阀板 | CF8, CF8M | | 3 | 阀轴 | SS304, SS316 | | 4 | 弹簧 | SS301, SS321 | | 5 | 轴承 | 橡胶阀座:PTFE, 金属阀座:SS316 | | 6 | 轴承 | 橡胶阀座:PTFE, 金属阀座:SS316 | | 7 | O型密封圈 | 和橡胶阀座一样, 金属阀座:石墨 | | 8 | 六角螺栓 | SS304, SS316 | | 9 | 阀座 | NBR, EPDM, FPM, 金属阀座 | | 10 | 吊环螺栓 | SS304, SS316 |

| 尺寸 | D | 橡胶阀座 | 金属阀座 | 重量(kg) | | DN | 英寸 | PN10 | PN16 | PN25 | Class150 | D1 | D2 | L | D1 | D2 | L | | 50 | 2" | 109 | 109 | 109 | 104 | 66 | 46 | 43 | 56 | 46 | 60 | 2 | | 65 | 2 1/2" | 129 | 129 | 129 | 123 | 81 | 60 | 46 | 73 | 60 | 67 | 3 | | 80 | 3" | 144 | 144 | 144 | 136 | 95 | 75 | 64 | 88 | 75 | 73 | 4 | | 100 | 4" | 164 | 164 | 164 | 174 | 118 | 97 | 64 | 108 | 97 | 73 | 6 | | 125 | 5" | 194 | 194 | 196 | 196 | 146 | 122 | 70 | 132 | 122 | 86 | 8 | | 150 | 6" | 220 | 220 | 226 | 222 | 171 | 147 | 76 | 160 | 147 | 98 | 13 | | 200 | 8" | 275 | 275 | 286 | 279 | 228 | 199 | 89 | 210 | 198 | 127 | 24 | | 250 | 10" | 330 | 330 | 343 | 339 | 266 | 244 | 114 | 266 | 249 | 146 | 35 | | 300 | 12" | 380 | 386 | 403 | 409 | 312 | 295 | 114 | 310 | 300 | 181 | 48 | | 350 | 14" | 440 | 446 | 460 | 450 | 362 | 340 | 127 | 355 | 340 | 184 | 78 | | 400 | 16" | 491 | 494 | 517 | 514 | 406 | 390 | 140 | 405 | 390 | 191 | 106 | | 450 | 18" | 541 | 558 | 567 | 549 | 450 | 440 | 152 | 455 | 440 | 203 | 135 | | 500 | 20" | 596 | 620 | 627 | 606 | 505 | 490 | 152 | 505 | 490 | 219 | 165 | | 600 | 24" | 698 | 737 | 734 | 717 | 624 | 590 | 178 | 605 | 590 | 222 | 260 | | 700 | 28" | 813 | 807 | 836 | 831 | 700 | 680 | 229 | 700 | 675 | 305 | 360 | | 800 | 32" | 920 | 914 | 945 | 939 | 800 | 776 | 241 | 800 | 776 | 305 | 540 | | 900 | 36" | 1020 | 1014 | 1045 | 1047 | 910 | 878 | 241 | 903 | 878 | 368 | 620 | | 1000 | 40" | 1127 | 1131 | 1158 | 1162 | 1055 | 1030 | 300 | 1055 | 1030 | 432 | 880 | | 1200 | 48" | 1344 | 1344 | | 1384 | 1205 | 1180 | 350 | 1205 | 1180 | 524 | 1380 |
|
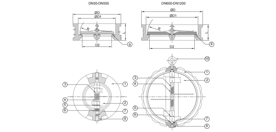
| 连接标准 | 对夹式 | | 公称直径 | DN50-DN1200 | | 压力等级 | PN10, PN16, PN25 ANSI CLASS150 | | 结构长度 | EN558系列16橡胶座, API 594金属阀座 | | 钢体涂层 | 碳钢为喷涂系列B |
概述 C22系列铸钢不锈钢双板对夹止回阀是一种自动止回阀,适用于允许单向流动并防止相反方向回流。在上游压力超过下游压力和弹簧弹性的情况下,板打开。当流速上游减小或停止时,弹簧将在流动逆转之前自动关闭双板。这可以形成正向关闭逆流并消除系统浪涌和水锤。 特点 • 短结构长度尺寸 • 重量比传统的全身止回阀更轻 • 由于双阀板设计,开启压力低,关闭迅速 • 停止轴在高流速下稳定住板 • 长臂弹簧可防止阀座上的摩擦

| 编号 | 零件名称 | 材质 | | 1 | 阀体 | WCB, CF8, CF8M | | 2 | 阀板 | CF8, CF8M | | 3 | 阀轴 | SS304, SS316 | | 4 | 弹簧 | SS301, SS321 | | 5 | 轴承 | 橡胶阀座:PTFE, 金属阀座:SS316 | | 6 | 轴承 | 橡胶阀座:PTFE, 金属阀座:SS316 | | 7 | O型密封圈 | 和橡胶阀座一样, 金属阀座:石墨 | | 8 | 六角螺栓 | SS304, SS316 | | 9 | 阀座 | NBR, EPDM, FPM, 金属阀座 | | 10 | 吊环螺栓 | SS304, SS316 |

| 尺寸 | D | 橡胶阀座 | 金属阀座 | 重量(kg) | | DN | 英寸 | PN10 | PN16 | PN25 | Class150 | D1 | D2 | L | D1 | D2 | L | | 50 | 2" | 109 | 109 | 109 | 104 | 66 | 46 | 43 | 56 | 46 | 60 | 2 | | 65 | 2 1/2" | 129 | 129 | 129 | 123 | 81 | 60 | 46 | 73 | 60 | 67 | 3 | | 80 | 3" | 144 | 144 | 144 | 136 | 95 | 75 | 64 | 88 | 75 | 73 | 4 | | 100 | 4" | 164 | 164 | 164 | 174 | 118 | 97 | 64 | 108 | 97 | 73 | 6 | | 125 | 5" | 194 | 194 | 196 | 196 | 146 | 122 | 70 | 132 | 122 | 86 | 8 | | 150 | 6" | 220 | 220 | 226 | 222 | 171 | 147 | 76 | 160 | 147 | 98 | 13 | | 200 | 8" | 275 | 275 | 286 | 279 | 228 | 199 | 89 | 210 | 198 | 127 | 24 | | 250 | 10" | 330 | 330 | 343 | 339 | 266 | 244 | 114 | 266 | 249 | 146 | 35 | | 300 | 12" | 380 | 386 | 403 | 409 | 312 | 295 | 114 | 310 | 300 | 181 | 48 | | 350 | 14" | 440 | 446 | 460 | 450 | 362 | 340 | 127 | 355 | 340 | 184 | 78 | | 400 | 16" | 491 | 494 | 517 | 514 | 406 | 390 | 140 | 405 | 390 | 191 | 106 | | 450 | 18" | 541 | 558 | 567 | 549 | 450 | 440 | 152 | 455 | 440 | 203 | 135 | | 500 | 20" | 596 | 620 | 627 | 606 | 505 | 490 | 152 | 505 | 490 | 219 | 165 | | 600 | 24" | 698 | 737 | 734 | 717 | 624 | 590 | 178 | 605 | 590 | 222 | 260 | | 700 | 28" | 813 | 807 | 836 | 831 | 700 | 680 | 229 | 700 | 675 | 305 | 360 | | 800 | 32" | 920 | 914 | 945 | 939 | 800 | 776 | 241 | 800 | 776 | 305 | 540 | | 900 | 36" | 1020 | 1014 | 1045 | 1047 | 910 | 878 | 241 | 903 | 878 | 368 | 620 | | 1000 | 40" | 1127 | 1131 | 1158 | 1162 | 1055 | 1030 | 300 | 1055 | 1030 | 432 | 880 | | 1200 | 48" | 1344 | 1344 | | 1384 | 1205 | 1180 | 350 | 1205 | 1180 | 524 | 1380 |
|