|
|
|
 半圆顶阀 ★★★★★ A73INF
A73INF系列半圆顶阀采用清晰逻辑的充气模块设计及阀座充气密封结构,当阀板处于开启状态或开关过程时,阀板与阀座间有充分间隙保证半球与阀座之间无摩擦,当阀板处于关闭状态并停止时,充气模块根据位置及动作感应自动向阀座气囊充气,为密封提供均匀分布的压力。当处理磨蚀性物料时,充气结构密封圈可以内陷物料颗粒,避免了由于压差作用物料颗粒发生滑动对阀座和阀球的磨损。
由于阀门运行过程中没有阀板与阀座间的摩擦,并且A73INF半圆顶阀的密封面上没有阀轴穿过,形成了一个360度连续均匀的密封面,一个A73INF半圆顶阀的寿命能达到三百多万次开关循环周期,甚至在阀座或阀板受到物料严重冲刷磨损的情况下也能提供连续的磨损补偿。
对于渣浆,散装粉末,颗粒,不规则固体,粘结性粉末,气体和气粉,A73INF半圆顶阀确保了系统运行的可靠性并数量级地提高了阀门寿命,大幅度地减小了阀门停机更换对物料生产的影响。
| 连 接 | 对夹 | | 公称直径 | DN50-DN350 | | 最高工作压力 | 10bar | | 标准工作压力 | 全真空 ~ 8bar ( 根据现场气源 ) | | 法兰标准 | EN1092 PN10/16, GB/T 9119, ANSI Class150, JIS 10K/16K | | 结构长度 | 见图纸 | | 上 法 兰 | ISO 5211 | | 密封测试 | ISO 5208 Category 3, API 598 Table 5 | | 温度范围 | -40° C to +350° C (Depending on pressure, medium and material) | | 操作装置 | 气缸 (DA, SA) | | 扭 矩 | 根据介质及使用有所不同 |
| 序号 | 部件 | 材质简称 | 标准 | 耐腐耐磨处理或温度备注 | | 1 | 阀体 | 304 | ASTM A351 CF8 | 酸洗钝化 | | 304 喷碳化钨 | ASTM A351 CF8+WC | 内部喷碳化钨,外部酸洗钝化 | | 304 喷陶瓷 | ASTM A351 CF8+TC | 内部喷陶瓷,外部酸洗钝化 | | 304 喷 Halar | ASTM A351 CF8+Halar | 内部喷 Halar,外部酸洗钝化 | | 2 | 阀板 | 304 | ASTM A351 CF8 | 酸洗钝化 | | 304 喷碳化钨 | ASTM A351 CF8+WC | 喷碳化钨 | | 304 喷陶瓷 | ASTM A351 CF8+TC | 喷陶瓷 | | 304 喷 Halar | ASTM A351 CF8+Halar | 喷 Halar | | 304 焊 Ni60 | ASTM A351 CF8+Ni60 | 密封面焊 Ni60 | | 3 | 阀座 | 耐磨三元乙丙 | EPDM-HT | -20℃ ~120℃ | | H160 | H160 | -20℃ ~160℃ | | F260 | F260 | -20℃ ~260℃ | | 304 钻石渗透 | ASTM A351 CF8+Diamond | -35℃ ~400℃ | | 4 | 阀轴 | 431 | SS431 | | | 304 | SS304 | | | 5 | 填料压盖 | 304 | ASTM A351 CF8 | 酸洗钝化 | | 6 | 底盖 | 316 | ASTM A351 CF8M | 酸洗钝化 | | 7 | 填料 | RPTFE | RPTFE with 25% carbon fiber reinforced | 最高耐温 200℃ | | P287 | P287 | 最高耐温 300℃ | | 石墨 | Graphite | 最高耐温 400℃ | | 8 | 轴承 | P287 | P287 | | | SS316 喷高温高分子 | SS316 | 高温高分子喷涂 | | 9 | 螺钉 | 不锈钢 | SS304 | |

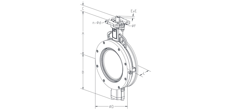
| 尺 寸 | A | B | C | D | E | 上法兰 | L | | DN | 英寸 | | 50 | 2" | 126 | 79 | 13.5 | 92 | 11 | F05 | 54 | | 65 | 2.5" | 126 | 87 | 13.5 | 105 | 11 | F05 | 56 | | 80 | 3" | 145 | 100 | 17.5 | 130 | 11 | F07 | 58 | | 100 | 4" | 170 | 124 | 17.5 | 157 | 14 | F07 | 63 | | 125 | 5" | 185 | 144 | 17.5 | 186 | 14 | F07 | 65 | | 150 | 6" | 203 | 150 | 18.5 | 216 | 17 | F10 | 65 | | 200 | 8" | 239 | 186 | 24.5 | 269 | 22 | F10 | 71 | | 250 | 10" | 275 | 226 | 24.5 | 324 | 22 | F10 | 77 | | 300 | 12" | 307 | 251 | 30 | 380 | 27 | F12 | 83.5 |
|
| 连 接 | 对夹 | | 公称直径 | DN50-DN350 | | 最高工作压力 | 10bar | | 标准工作压力 | 全真空 ~ 8bar ( 根据现场气源 ) | | 法兰标准 | EN1092 PN10/16, GB/T 9119, ANSI Class150, JIS 10K/16K | | 结构长度 | 见图纸 | | 上 法 兰 | ISO 5211 | | 密封测试 | ISO 5208 Category 3, API 598 Table 5 | | 温度范围 | -40° C to +350° C (Depending on pressure, medium and material) | | 操作装置 | 气缸 (DA, SA) | | 扭 矩 | 根据介质及使用有所不同 |
A73INF系列半圆顶阀采用清晰逻辑的充气模块设计及阀座充气密封结构,当阀板处于开启状态或开关过程时,阀板与阀座间有充分间隙保证半球与阀座之间无摩擦,当阀板处于关闭状态并停止时,充气模块根据位置及动作感应自动向阀座气囊充气,为密封提供均匀分布的压力。当处理磨蚀性物料时,充气结构密封圈可以内陷物料颗粒,避免了由于压差作用物料颗粒发生滑动对阀座和阀球的磨损。
由于阀门运行过程中没有阀板与阀座间的摩擦,并且A73INF半圆顶阀的密封面上没有阀轴穿过,形成了一个360度连续均匀的密封面,一个A73INF半圆顶阀的寿命能达到三百多万次开关循环周期,甚至在阀座或阀板受到物料严重冲刷磨损的情况下也能提供连续的磨损补偿。
对于渣浆,散装粉末,颗粒,不规则固体,粘结性粉末,气体和气粉,A73INF半圆顶阀确保了系统运行的可靠性并数量级地提高了阀门寿命,大幅度地减小了阀门停机更换对物料生产的影响。
| 序号 | 部件 | 材质简称 | 标准 | 耐腐耐磨处理或温度备注 | | 1 | 阀体 | 304 | ASTM A351 CF8 | 酸洗钝化 | | 304 喷碳化钨 | ASTM A351 CF8+WC | 内部喷碳化钨,外部酸洗钝化 | | 304 喷陶瓷 | ASTM A351 CF8+TC | 内部喷陶瓷,外部酸洗钝化 | | 304 喷 Halar | ASTM A351 CF8+Halar | 内部喷 Halar,外部酸洗钝化 | | 2 | 阀板 | 304 | ASTM A351 CF8 | 酸洗钝化 | | 304 喷碳化钨 | ASTM A351 CF8+WC | 喷碳化钨 | | 304 喷陶瓷 | ASTM A351 CF8+TC | 喷陶瓷 | | 304 喷 Halar | ASTM A351 CF8+Halar | 喷 Halar | | 304 焊 Ni60 | ASTM A351 CF8+Ni60 | 密封面焊 Ni60 | | 3 | 阀座 | 耐磨三元乙丙 | EPDM-HT | -20℃ ~120℃ | | H160 | H160 | -20℃ ~160℃ | | F260 | F260 | -20℃ ~260℃ | | 304 钻石渗透 | ASTM A351 CF8+Diamond | -35℃ ~400℃ | | 4 | 阀轴 | 431 | SS431 | | | 304 | SS304 | | | 5 | 填料压盖 | 304 | ASTM A351 CF8 | 酸洗钝化 | | 6 | 底盖 | 316 | ASTM A351 CF8M | 酸洗钝化 | | 7 | 填料 | RPTFE | RPTFE with 25% carbon fiber reinforced | 最高耐温 200℃ | | P287 | P287 | 最高耐温 300℃ | | 石墨 | Graphite | 最高耐温 400℃ | | 8 | 轴承 | P287 | P287 | | | SS316 喷高温高分子 | SS316 | 高温高分子喷涂 | | 9 | 螺钉 | 不锈钢 | SS304 | |

| 尺 寸 | A | B | C | D | E | 上法兰 | L | | DN | 英寸 | | 50 | 2" | 126 | 79 | 13.5 | 92 | 11 | F05 | 54 | | 65 | 2.5" | 126 | 87 | 13.5 | 105 | 11 | F05 | 56 | | 80 | 3" | 145 | 100 | 17.5 | 130 | 11 | F07 | 58 | | 100 | 4" | 170 | 124 | 17.5 | 157 | 14 | F07 | 63 | | 125 | 5" | 185 | 144 | 17.5 | 186 | 14 | F07 | 65 | | 150 | 6" | 203 | 150 | 18.5 | 216 | 17 | F10 | 65 | | 200 | 8" | 239 | 186 | 24.5 | 269 | 22 | F10 | 71 | | 250 | 10" | 275 | 226 | 24.5 | 324 | 22 | F10 | 77 | | 300 | 12" | 307 | 251 | 30 | 380 | 27 | F12 | 83.5 |
|