高性能三片体球阀  ★★★★
  • B33
  • 概述

    B33系列高性能三片体球阀设计用于高压,防火,执行器连接灵活,循环寿命长,简单现场维护等多项高性能服务。三片体设计使得维修方便,无需拆卸阀盖。这种阀门的对焊、承插焊和螺纹很受欢迎。

    特点

    • 三片体外开式设计,便于现场维护全通径和缩径都可生产
    • 精铸阀体,无铸造缺陷,表面细致
    • 防脱出阀轴
    • 聚四氟乙烯加25%碳纤维阀座标准适用于高压力和高温度,更耐磨损,可提供多种阀座和密封材料
    • 球槽内有减压孔
    • 符合ISO5211的安装带中心定位
    • 用于球轴体的防静电装置
    • 球形浮动阀杆带来更高的循环寿命
    • 可提供防火安全型
    • 完全封装的阀体密封允许在无需拆卸的情况下进行焊接

    连接标准螺纹BSPP-ISO228/1
    对焊-ISO1127, EN12627, SMS3008
    承插焊接 ANSI B16.11
    公称直径全通径 1/4"-2 1/2",缩径 1/2" 至 2 1/2"
    压力等级2000PSI for 1/4"-1", 1500PSI for 1 1/4"-2 1/2"
    结构长度阀体孔心距及结构长度适合worcester,Valtac and Mecafrance,因此阀体可安装在现有连接间
    温度范围-38°C ~ +250°C
    操作装置手柄、气动头、电动头


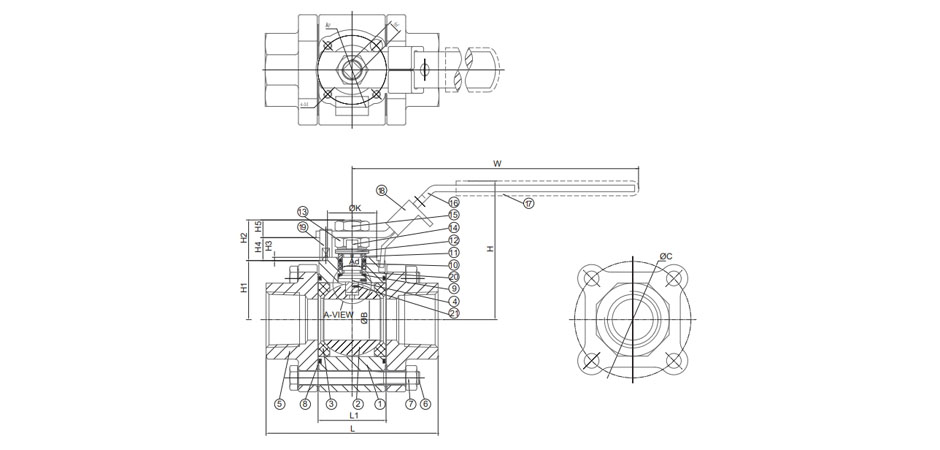
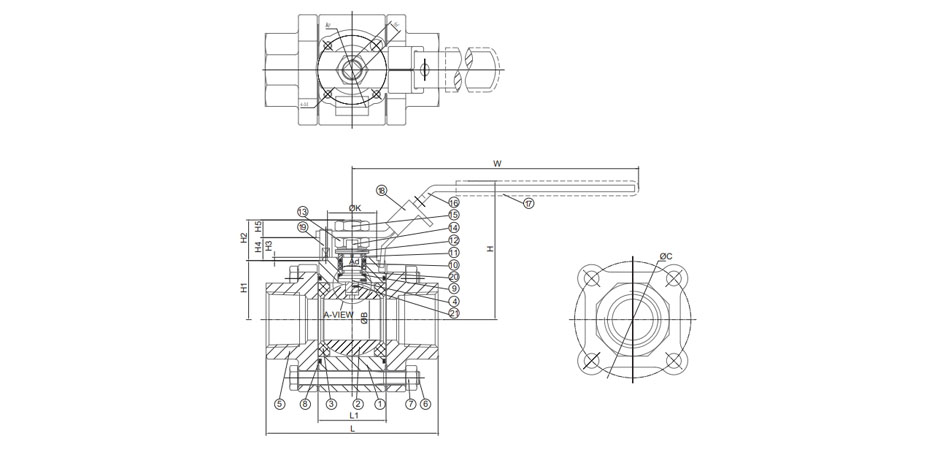
    编号零件名称材质
    1阀体F316LA105
    2阀球SS316LSS304
    3阀座RPTFE
    4阀轴SS316LSS304
    5阀盖F316LA105
    6螺栓SS304
    7螺母SS304
    8螺栓标准PTFE,防火石墨
    9止推垫圈RPTFE
    10填料标准RPTFE,防火石墨
    11密封压盖SS304
    12碟簧SS304
    13螺母SS304
    14锁紧垫圈SS304
    15螺母SS304
    16手柄SS304
    17手柄套PVC
    18手柄锁件SS304
    19定位销SS304
    20O型密封圈FPM
    21防静电装置SS316