两片体法兰连接球阀  ★★★★★
  • B50
  • 概述

    B50系列两片体法兰连接球阀是全通径设计,适用于阻断各种空气、气体、水、油、液等无杂质介质。

    特点

    • 两片体阀体紧凑设计全通径设计有更好的Kv/Cv
    • 精铸阀体,无铸造缺陷,表面细致
    • 防脱出阀轴
    • 可提供纯PTFE和25%碳纤维增强RPTFE阀座
    • 球槽内有减压孔
    • ISO5211整体法兰,方便自动化
    • 用于球轴体的防静电装置
    • 防火安全设计

    连接标准法兰适合EN1092-1
    公称直径1/2"-4"
    压力等级PN40 for DN15-DN50, PN16 for DN65-DN100
    结构长度DIN3202 F4
    温度范围-20°C ~ +200°C
    操作装置手柄、气动头、电动头


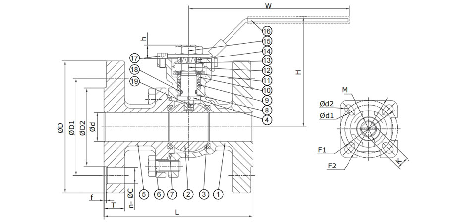
    编号零件名称材质
    1阀体CF8MCF8WCB
    2阀球SS316LSS304SS304
    3阀座PTFE,RPTFE
    4阀杆SS316LSS304SS304
    5阀盖CF8MCF8WCB
    6螺栓A193 B8MA193 B8A193 B7
    7阀体垫圈PTFE
    8止推垫圈PTFE,RPTFE
    9V型圈填料PTFE,RPTFE
    10密封压盖SS304
    11碟簧SS304
    12螺母SS304
    13定位锁盖SS304
    14垫圈SS304
    15螺母SS304
    16拉杆SS304
    17定位销SS304
    18O型密封圈FPM
    19防静电装置SS304


    尺寸 d n C D D1 D2 f T H L W 安装用法兰 阀轴 重量(kg)
    DN 英寸 ISO5211 F1 d1 F2 d2 K h M
    15 1/2" 15 4 14 95 65 45 2 16 75 115 110 F03+F04 36 3 42 3 9 10 M12 2.3
    20 3/4" 20 4 14 105 75 58 2 18 83 120 110 F03+F04 36 3 42 3 9 10 M12 3
    25 1" 25 4 14 115 85 68 2 18 90 125 150 F04+F05 42 3 50 3.5 11 12 M14 4
    32 1 1/4" 32 4 18 140 100 78 2 18 102 130 150 F04+F05 42 3 50 3.5 11 12 M14 6
    40 1 1/2" 38 4 18 150 110 88 3 18 114 140 190 F05+F07 50 3.5 70 4.5 14 15 M18 8
    50 2" 49 4 18 165 125 102 3 18 122 150 190 F05+F07 50 3.5 70 4.5 14 15 M18 10
    65 2 1/2" 64 4 18 185 145 122 3 18 168 170 300 F05+F07 50 3.5 70 4.5 14 15 M18 15
    80 3" 76 8 18 200 160 138 3 20 179 180 300 F07+F10 70 4.5 102 5.5 17 18 M22 21
    100 4" 100 8 18 220 180 158 3 20 197 190 300 F07+F10 70 4.5 102 5.5 17 18 M22 28
    125 5" 125 8 18 250 210 188 2 20 / 356 / F10+F12 102 11 125 13 22 22 / 32
    150 6" 150 8 22 285 240 212 2 20 / 394 / F12+F14 125 13 140 17 27 27 / 52
    200 8" 200 12 22 340 295 268 2 22 / 457 / F12+F14 125 13 140 17 26 36 / 75