|
|
|
 偏心法兰蝶阀 ★★★★★ A75
概述 A75系列偏心法兰蝶阀通过无摩擦的90度旋转,在不同的压力和温度条件下提供零泄漏。 广泛用于石油和天然气,化工和煤炭,石化,海水淡化厂,水厂,区域供热,核电,钢铁,采矿,汽车,造船厂,航空航天等许多行业。 特点 • ISO 5211支架便于安装执行器 • 三偏心结构避免阀板阀座在关闭开启阶段的摩擦 • 气密性关闭 • 本质防火安全设计。 • 双相钢金属密封环和高耐磨司太立 21级阀座可确保密封寿命 • 结构长度尺寸符合ISO5752,ASME B16.10和API 609双法兰短型,保证与其他类型阀门的互换性 • 硬化的轴承,包含一个柔性石墨轴承保护器,确保提高可靠性 • 轴上的防窜装置确保轴的安全运行 • 无销轴与阀板连接使阀门便于部件更换,即使在腐蚀情况下也可靠
| 连接标准 | 双法兰 | | 尺寸 | 3"-80" for PN10,PN16,Class150; 3"-48" for PN25,PN40,Class300; 3"-24" for Class600 | | 工作压力 | PN10,PN16,PN25,PN40,Class150,Class300,Class600 | | 法兰标准 | ASME B16.5 Class150,Class300,Class600; EN1092 PN16,PN25,PN40 | | 结构长度 | ISO 5752, ASME B16.10, API609 双法兰短结构 | | 密封测试 | API 598, ISO 5208 Rate A, ANSI B16.104(ANSI/FCI 70-2)Class Ⅵ | | 温度范围 | -29°C ~ +538°C | | 操作装置 | 手柄,齿轮箱,气动头,电动头 |

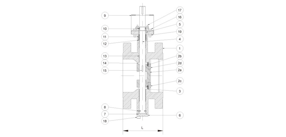
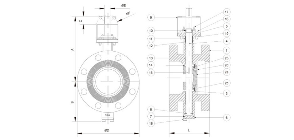
| No. | 零件名称 | 材质 | | 1 | 阀体 | WCB | CF8M | | 2a | 阀板 | WCB,CF8 | CF8M | | 2b | 阀板密封 | UNS31803(duplex)+石墨 | | | 2c | 阀板密封压盘 | SS304 | SS316 | | 2d | 阀板密封压盘螺钉 | SS304 | SS316 | | 3 | 阀座焊接表面 | 司太立合金 Gr.21 | | 4 | 阀轴 | 17-4 PHSS,1.4462 | | 5 | 填料密封压盖 | CF8 | | 6 | 底盖 | 同阀体 | | 7 | 底盖密封 | 石墨 | | 8 | 止推垫圈 | SS316 | | 9 | 支架 | WCB | CF8M | | 10 | 护圈 | SS304 | | 11 | 填料 | RPTFE, 石墨 | | 12 | 填料圈 | SS316 | | | 13 | 轴承 | SS316+PTFE | | | 14 | 止推轴承 | SS316 | | | 15 | 键 | SS316 | | 16 | 螺栓 | SS304 | | 17 | 螺栓 | SS304 | | 18 | 螺栓 | SS304 | | 19 | 螺母 | SS304 |

| SIZE | A | B | C | D | E | Top Flange | L | WT (kg) | A | B | C | D | E | Top Flange | L | WT (kg) | A | B | C | D | E | Top Flange | L | WT (kg) | Class 150 | PN 10 | PN 16 | PN 25 | Class 300 | PN 40 | Class 600 | PN 63 | PN 100 | | DN | INCH | Class150,PN10,PN16,PN25 | Class300,PN40 | Class600,PN63,PN100 | | 80 | 3" | 260 | 125 | 17.5 | 190 | 200 | 200 | 200 | 14 | F07 | 114 | 30 | 260 | 100 | 17.5 | 210 | 200 | 14 | F07 | 180 | 30 | 260 | 145 | 17.5 | 210 | 215 | 230 | 14 | F07 | 180 | 50 | | 100 | 4" | 290 | 141 | 17.5 | 230 | 220 | 220 | 235 | 14 | F07 | 127 | 40 | 290 | 124 | 17.5 | 255 | 235 | 14 | F07 | 190 | 40 | 298 | 185 | 24.5 | 275 | 250 | 265 | 22 | F10 | 190 | 70 | | 125 | 5" | 310 | 150 | 17.5 | 255 | 250 | 250 | 270 | 14 | F07 | 140 | 45 | 330 | 144 | 18.5 | 280 | 270 | 17 | F10 | 200 | 60 | 400 | 200 | 30 | 330 | 295 | 315 | 27 | F12 | 200 | 90 | | 150 | 6" | 330 | 165 | 18.5 | 280 | 285 | 285 | 300 | 17 | F10 | 140 | 50 | 350 | 150 | 24.5 | 320 | 300 | 22 | F10 | 210 | 75 | 420 | 216 | 39 | 355 | 345 | 355 | 36 | F14 | 210 | 125 | | 200 | 8" | 385 | 214 | 24.5 | 345 | 340 | 340 | 360 | 22 | F10 | 152 | 85 | 415 | 204 | 30 | 380 | 375 | 27 | F12 | 230 | 115 | 445 | 265 | 39 | 420 | 415 | 430 | 36 | F14 | 230 | 200 | | 250 | 10" | 425 | 243 | 24.5 | 405 | 395 | 405 | 425 | 22 | F10 | 165 | 120 | 455 | 238 | 39 | 445 | 450 | 36 | F14 | 250 | 170 | 505 | 315 | 49 | 510 | 470 | 505 | 46 | F16 | 250 | 315 | | 300 | 12" | 490 | 286 | 30 | 485 | 445 | 460 | 485 | 27 | F12 | 178 | 160 | 490 | 268 | 39 | 520 | 515 | 36 | F14 | 270 | 170 | 600 | 362 | 49 | 560 | 530 | 585 | 46 | F16 | 270 | 435 | | 350 | 14" | 525 | 312 | 30 | 535 | 505 | 520 | 555 | 27 | F12 | 190 | 195 | 545 | 294 | 49 | 585 | 580 | 46 | F16 | 290 | 315 | 610 | 390 | 60 | 605 | 600 | 655 | 55 | F25 | 290 | 485 | | 400 | 16" | 545 | 350 | 39 | 595 | 565 | 580 | 620 | 36 | F14 | 216 | 255 | 575 | 320 | 60 | 650 | 660 | 55 | F25 | 310 | 415 | 680 | 440 | 60 | 685 | 670 | | 55 | F25 | 310 | 685 | | 450 | 18" | 580 | 383 | 49 | 635 | 615 | 640 | 670 | 46 | F16 | 222 | 310 | 660 | 341 | 60 | 710 | 685 | 55 | F25 | 330 | 490 | 683 | 460 | 80 | 745 | | | 75 | F30 | 330 | 815 | | 500 | 20" | 640 | 407 | 49 | 700 | 670 | 715 | 730 | 46 | F16 | 229 | 390 | 700 | 383 | 80 | 775 | 755 | 75 | F30 | 350 | 600 | 795 | 526 | 80 | 815 | | | 75 | F30 | 350 | 1050 | | 600 | 24" | 690 | 484 | 60 | 815 | 780 | 840 | 845 | 55 | F25 | 267 | 565 | 785 | 442 | 80 | 915 | 890 | 75 | F30 | 390 | 900 | 885 | 623 | | 940 | | | | F35 | 390 | 1600 | | 700 | 28" | 720 | 525 | 130 | 925 | 895 | 910 | 960 | 80 | F30 | 292 | | 800 | 590 | 150 | 1035 | | 120 | F35 | 430 | | | | | | | | | | | | | 750 | 30" | 750 | 550 | 130 | 985 | | | | 80 | F30 | 318 | | 830 | 600 | 180 | 1090 | | 130 | F35 | 450 | | | | | | | | | | | | | 800 | 32" | 760 | 600 | 130 | 1060 | 1015 | 1025 | 1085 | 98 | F30 | 318 | | 860 | 720 | 200 | 1150 | | 170 | F40 | 470 | | | | | | | | | | | | | 900 | 36" | 795 | 660 | 150 | 1170 | 1115 | 1125 | 1185 | 120 | F35 | 330 | | 940 | 780 | 200 | 1270 | | 180 | F40 | 510 | | | | | | | | | | | | | 1000 | 40" | 815 | 720 | 180 | 1290 | 1230 | 1255 | 1320 | 130 | F35 | 410 | | 910 | 750 | 250 | 1240 | | 200 | F48 | 550 | | | | | | | | | | | | | 1050 | 42" | 850 | 750 | 180 | 1345 | | | | 150 | F35 | 410 | | 950 | 800 | 250 | 1290 | | 210 | F48 | 570 | | | | | | | | | | | | | 1200 | 48" | 995 | 825 | 200 | 1510 | 1455 | 1485 | | 180 | F40 | 470 | | 1000 | 850 | 250 | 1465 | | 220 | F48 | 630 | | | | | | | | | | | |
|
| 连接标准 | 双法兰 | | 尺寸 | 3"-80" for PN10,PN16,Class150; 3"-48" for PN25,PN40,Class300; 3"-24" for Class600 | | 工作压力 | PN10,PN16,PN25,PN40,Class150,Class300,Class600 | | 法兰标准 | ASME B16.5 Class150,Class300,Class600; EN1092 PN16,PN25,PN40 | | 结构长度 | ISO 5752, ASME B16.10, API609 双法兰短结构 | | 密封测试 | API 598, ISO 5208 Rate A, ANSI B16.104(ANSI/FCI 70-2)Class Ⅵ | | 温度范围 | -29°C ~ +538°C | | 操作装置 | 手柄,齿轮箱,气动头,电动头 |
概述 A75系列偏心法兰蝶阀通过无摩擦的90度旋转,在不同的压力和温度条件下提供零泄漏。 广泛用于石油和天然气,化工和煤炭,石化,海水淡化厂,水厂,区域供热,核电,钢铁,采矿,汽车,造船厂,航空航天等许多行业。 特点 • ISO 5211支架便于安装执行器 • 三偏心结构避免阀板阀座在关闭开启阶段的摩擦 • 气密性关闭 • 本质防火安全设计。 • 双相钢金属密封环和高耐磨司太立 21级阀座可确保密封寿命 • 结构长度尺寸符合ISO5752,ASME B16.10和API 609双法兰短型,保证与其他类型阀门的互换性 • 硬化的轴承,包含一个柔性石墨轴承保护器,确保提高可靠性 • 轴上的防窜装置确保轴的安全运行 • 无销轴与阀板连接使阀门便于部件更换,即使在腐蚀情况下也可靠

| No. | 零件名称 | 材质 | | 1 | 阀体 | WCB | CF8M | | 2a | 阀板 | WCB,CF8 | CF8M | | 2b | 阀板密封 | UNS31803(duplex)+石墨 | | | 2c | 阀板密封压盘 | SS304 | SS316 | | 2d | 阀板密封压盘螺钉 | SS304 | SS316 | | 3 | 阀座焊接表面 | 司太立合金 Gr.21 | | 4 | 阀轴 | 17-4 PHSS,1.4462 | | 5 | 填料密封压盖 | CF8 | | 6 | 底盖 | 同阀体 | | 7 | 底盖密封 | 石墨 | | 8 | 止推垫圈 | SS316 | | 9 | 支架 | WCB | CF8M | | 10 | 护圈 | SS304 | | 11 | 填料 | RPTFE, 石墨 | | 12 | 填料圈 | SS316 | | | 13 | 轴承 | SS316+PTFE | | | 14 | 止推轴承 | SS316 | | | 15 | 键 | SS316 | | 16 | 螺栓 | SS304 | | 17 | 螺栓 | SS304 | | 18 | 螺栓 | SS304 | | 19 | 螺母 | SS304 |

| SIZE | A | B | C | D | E | Top Flange | L | WT (kg) | A | B | C | D | E | Top Flange | L | WT (kg) | A | B | C | D | E | Top Flange | L | WT (kg) | Class 150 | PN 10 | PN 16 | PN 25 | Class 300 | PN 40 | Class 600 | PN 63 | PN 100 | | DN | INCH | Class150,PN10,PN16,PN25 | Class300,PN40 | Class600,PN63,PN100 | | 80 | 3" | 260 | 125 | 17.5 | 190 | 200 | 200 | 200 | 14 | F07 | 114 | 30 | 260 | 100 | 17.5 | 210 | 200 | 14 | F07 | 180 | 30 | 260 | 145 | 17.5 | 210 | 215 | 230 | 14 | F07 | 180 | 50 | | 100 | 4" | 290 | 141 | 17.5 | 230 | 220 | 220 | 235 | 14 | F07 | 127 | 40 | 290 | 124 | 17.5 | 255 | 235 | 14 | F07 | 190 | 40 | 298 | 185 | 24.5 | 275 | 250 | 265 | 22 | F10 | 190 | 70 | | 125 | 5" | 310 | 150 | 17.5 | 255 | 250 | 250 | 270 | 14 | F07 | 140 | 45 | 330 | 144 | 18.5 | 280 | 270 | 17 | F10 | 200 | 60 | 400 | 200 | 30 | 330 | 295 | 315 | 27 | F12 | 200 | 90 | | 150 | 6" | 330 | 165 | 18.5 | 280 | 285 | 285 | 300 | 17 | F10 | 140 | 50 | 350 | 150 | 24.5 | 320 | 300 | 22 | F10 | 210 | 75 | 420 | 216 | 39 | 355 | 345 | 355 | 36 | F14 | 210 | 125 | | 200 | 8" | 385 | 214 | 24.5 | 345 | 340 | 340 | 360 | 22 | F10 | 152 | 85 | 415 | 204 | 30 | 380 | 375 | 27 | F12 | 230 | 115 | 445 | 265 | 39 | 420 | 415 | 430 | 36 | F14 | 230 | 200 | | 250 | 10" | 425 | 243 | 24.5 | 405 | 395 | 405 | 425 | 22 | F10 | 165 | 120 | 455 | 238 | 39 | 445 | 450 | 36 | F14 | 250 | 170 | 505 | 315 | 49 | 510 | 470 | 505 | 46 | F16 | 250 | 315 | | 300 | 12" | 490 | 286 | 30 | 485 | 445 | 460 | 485 | 27 | F12 | 178 | 160 | 490 | 268 | 39 | 520 | 515 | 36 | F14 | 270 | 170 | 600 | 362 | 49 | 560 | 530 | 585 | 46 | F16 | 270 | 435 | | 350 | 14" | 525 | 312 | 30 | 535 | 505 | 520 | 555 | 27 | F12 | 190 | 195 | 545 | 294 | 49 | 585 | 580 | 46 | F16 | 290 | 315 | 610 | 390 | 60 | 605 | 600 | 655 | 55 | F25 | 290 | 485 | | 400 | 16" | 545 | 350 | 39 | 595 | 565 | 580 | 620 | 36 | F14 | 216 | 255 | 575 | 320 | 60 | 650 | 660 | 55 | F25 | 310 | 415 | 680 | 440 | 60 | 685 | 670 | | 55 | F25 | 310 | 685 | | 450 | 18" | 580 | 383 | 49 | 635 | 615 | 640 | 670 | 46 | F16 | 222 | 310 | 660 | 341 | 60 | 710 | 685 | 55 | F25 | 330 | 490 | 683 | 460 | 80 | 745 | | | 75 | F30 | 330 | 815 | | 500 | 20" | 640 | 407 | 49 | 700 | 670 | 715 | 730 | 46 | F16 | 229 | 390 | 700 | 383 | 80 | 775 | 755 | 75 | F30 | 350 | 600 | 795 | 526 | 80 | 815 | | | 75 | F30 | 350 | 1050 | | 600 | 24" | 690 | 484 | 60 | 815 | 780 | 840 | 845 | 55 | F25 | 267 | 565 | 785 | 442 | 80 | 915 | 890 | 75 | F30 | 390 | 900 | 885 | 623 | | 940 | | | | F35 | 390 | 1600 | | 700 | 28" | 720 | 525 | 130 | 925 | 895 | 910 | 960 | 80 | F30 | 292 | | 800 | 590 | 150 | 1035 | | 120 | F35 | 430 | | | | | | | | | | | | | 750 | 30" | 750 | 550 | 130 | 985 | | | | 80 | F30 | 318 | | 830 | 600 | 180 | 1090 | | 130 | F35 | 450 | | | | | | | | | | | | | 800 | 32" | 760 | 600 | 130 | 1060 | 1015 | 1025 | 1085 | 98 | F30 | 318 | | 860 | 720 | 200 | 1150 | | 170 | F40 | 470 | | | | | | | | | | | | | 900 | 36" | 795 | 660 | 150 | 1170 | 1115 | 1125 | 1185 | 120 | F35 | 330 | | 940 | 780 | 200 | 1270 | | 180 | F40 | 510 | | | | | | | | | | | | | 1000 | 40" | 815 | 720 | 180 | 1290 | 1230 | 1255 | 1320 | 130 | F35 | 410 | | 910 | 750 | 250 | 1240 | | 200 | F48 | 550 | | | | | | | | | | | | | 1050 | 42" | 850 | 750 | 180 | 1345 | | | | 150 | F35 | 410 | | 950 | 800 | 250 | 1290 | | 210 | F48 | 570 | | | | | | | | | | | | | 1200 | 48" | 995 | 825 | 200 | 1510 | 1455 | 1485 | | 180 | F40 | 470 | | 1000 | 850 | 250 | 1465 | | 220 | F48 | 630 | | | | | | | | | | | |
|