|
|
|
 锻造固定球法兰球阀 ★★★★ B63
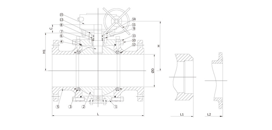
概述 B63系列铸造固定球法兰球阀根据API 608设计,适用于阻断各种介质。与浮动球阀相比,在压力作用下,阀球稳定在其位置,并且该压力将阀座推向阀球以形成密封性,所有负载都推向阀杆和轴承。因此,阀座受到保护,扭矩低,密封稳定,使用寿命长。锻造阀体使阀门符合严酷的工作条件。 特点 • 螺栓连接的阀盖,三片体阀体全通径设计有更好的Kv/Cv • 防脱出阀轴 • 可提供纯PTFE和25%碳纤维增强RPTFE以及金属阀座 • 用于球轴体的防静电装置 • 防火安全设计 • 固定式球 • 法兰或对焊接头 • 提供蜗轮传动装置
| 设计标准 | API 608/API 6D | | 放火标准 | API 607 | | 连接标准 | 法兰符合ASME B16.5, 对焊符合ASME B16.25 | | 公称直径 | 2"-36" | | 压力等级 | ANSI Class150, ANSI Class300,ANSI Class600,ANSI Class900,ANSI Class1500,ANSI Class2500 | | 结构长度 | ASME B16.10 | | 温度范围 | -20°C ~ +200°C非金属阀座, -40°C ~ +360°C金属阀座 | | 操作装置 | 手柄、齿轮箱 |

| 编号 | 零件名称 | 材质 | | 1 | 阀体 | A105 | F316 | LF2 | | 2 | 阀球 | F304 | F316 | F304 | | 3 | 阀座 | PTFE, RPTFE, PEEK, 金属阀座 | | 4 | 阀轴 | SS304 | SS316 | SS304 | | 5 | 阀盖 | A105 | F316 | LF2 | | 6 | 阀盖垫圈 | 石墨+316 | | 7 | 填料组件 | RPTFE, 石墨 | | 8 | 密封压盖 | SS316 | | 9 | 密封螺栓 | A193 B7 | A193 B8 | A193 B7 | | 10 | 阀盖螺栓 | A193 B7 | A193 B8 | A320 L7 | | 11 | 阀盖螺母 | A194 2H | A194 8 | A194 4 | | 12 | 阀座弹簧 | SS304 | 铬镍铁合金 X-750 | SS304 | | 13 | 顶部法兰螺栓 | A193 B7 | A193 B8 | A193 B7 | | 14 | 顶部法兰 | A105 | F316 | LF2 | | 15 | 齿轮箱 | 碳钢外壳 |

| 尺寸 | Class150 | Class150 重量(kg) | Class300 | Class300 重量(kg) | | DN | 英寸 | D | C | E | F | H | H1 | L | L1 | RF | BW | D | C | E | F | H | H1 | L | L1 | RF/RTJ | BW | | 50 | 2" | 49 | 45 | 22 | F10 | 120 | 114 | 178 | 216 | 28 | 25 | 49 | 45 | 22 | F10 | 120 | 114 | 216 | 216 | 30 | 24 | | 65 | 2 1/2" | 64 | 50 | 24 | F10 | 150 | 120 | 190 | 241 | 35 | 28 | 64 | 50 | 24 | F10 | 150 | 120 | 241 | 241 | 40 | 31 | | 80 | 3" | 76 | 55 | 28 | F12 | 180 | 140 | 203 | 283 | 55 | 49 | 76 | 55 | 28 | F12 | 180 | 140 | 283 | 283 | 60 | 49 | | 100 | 4" | 100 | 55 | 32 | F12 | 235 | 164 | 229 | 305 | 80 | 71 | 100 | 55 | 32 | F12 | 235 | 164 | 305 | 305 | 90 | 72 | | 150 | 6" | 150 | 72 | 38 | F16 | 250 | 229 | 394 | 457 | 190 | 182 | 150 | 72 | 38 | F16 | 250 | 229 | 403 | 403 | 200 | 169 | | 200 | 8" | 200 | 81 | 50 | F25 | 280 | 275 | 457 | 521 | 290 | 277 | 200 | 81 | 50 | F25 | 280 | 275 | 502 | 521 | 325 | 280 | | 250 | 10" | 250 | 81 | 55 | F25 | 320 | 315 | 533 | 559 | 445 | 423 | 250 | 81 | 55 | F25 | 320 | 315 | 568 | 559 | 490 | 424 | | 300 | 12" | 300 | 110 | 63 | F25 | 390 | 355 | 610 | 635 | 570 | 553 | 300 | 110 | 63 | F25 | 390 | 355 | 648 | 635 | 690 | 598 | | 350 | 14" | 350 | 110 | 68 | F25 | 420 | 387 | 686 | 762 | 780 | 747 | 350 | 110 | 68 | F25 | 420 | 387 | 762 | 762 | 990 | 872 | | 400 | 16" | 400 | 115 | 78 | F25 | 555 | 436 | 762 | 838 | 1520 | 1481 | 400 | 115 | 78 | F25 | 555 | 436 | 838 | 838 | 1810 | 1665 | | 450 | 18" | 450 | 115 | 92 | F25 | 600 | 470 | 864 | 914 | 2300 | 2266 | 450 | 115 | 92 | F25 | 600 | 470 | 914 | 914 | 2620 | 2440 | | 500 | 20" | 500 | 115 | 98 | F30 | 635 | 525 | 914 | 991 | 2500 | 2460 | 500 | 115 | 98 | F30 | 635 | 525 | 991 | 991 | 2860 | 2635 | | 600 | 24" | 600 | 130 | 105 | F30 | 710 | 616 | 1067 | 1143 | 3950 | 3904 | 600 | 130 | 105 | F30 | 710 | 616 | 1143 | 1143 | 4430 | 4075 |
|
| 设计标准 | API 608/API 6D | | 放火标准 | API 607 | | 连接标准 | 法兰符合ASME B16.5, 对焊符合ASME B16.25 | | 公称直径 | 2"-36" | | 压力等级 | ANSI Class150, ANSI Class300,ANSI Class600,ANSI Class900,ANSI Class1500,ANSI Class2500 | | 结构长度 | ASME B16.10 | | 温度范围 | -20°C ~ +200°C非金属阀座, -40°C ~ +360°C金属阀座 | | 操作装置 | 手柄、齿轮箱 |
概述 B63系列铸造固定球法兰球阀根据API 608设计,适用于阻断各种介质。与浮动球阀相比,在压力作用下,阀球稳定在其位置,并且该压力将阀座推向阀球以形成密封性,所有负载都推向阀杆和轴承。因此,阀座受到保护,扭矩低,密封稳定,使用寿命长。锻造阀体使阀门符合严酷的工作条件。 特点 • 螺栓连接的阀盖,三片体阀体全通径设计有更好的Kv/Cv • 防脱出阀轴 • 可提供纯PTFE和25%碳纤维增强RPTFE以及金属阀座 • 用于球轴体的防静电装置 • 防火安全设计 • 固定式球 • 法兰或对焊接头 • 提供蜗轮传动装置

| 编号 | 零件名称 | 材质 | | 1 | 阀体 | A105 | F316 | LF2 | | 2 | 阀球 | F304 | F316 | F304 | | 3 | 阀座 | PTFE, RPTFE, PEEK, 金属阀座 | | 4 | 阀轴 | SS304 | SS316 | SS304 | | 5 | 阀盖 | A105 | F316 | LF2 | | 6 | 阀盖垫圈 | 石墨+316 | | 7 | 填料组件 | RPTFE, 石墨 | | 8 | 密封压盖 | SS316 | | 9 | 密封螺栓 | A193 B7 | A193 B8 | A193 B7 | | 10 | 阀盖螺栓 | A193 B7 | A193 B8 | A320 L7 | | 11 | 阀盖螺母 | A194 2H | A194 8 | A194 4 | | 12 | 阀座弹簧 | SS304 | 铬镍铁合金 X-750 | SS304 | | 13 | 顶部法兰螺栓 | A193 B7 | A193 B8 | A193 B7 | | 14 | 顶部法兰 | A105 | F316 | LF2 | | 15 | 齿轮箱 | 碳钢外壳 |

| 尺寸 | Class150 | Class150 重量(kg) | Class300 | Class300 重量(kg) | | DN | 英寸 | D | C | E | F | H | H1 | L | L1 | RF | BW | D | C | E | F | H | H1 | L | L1 | RF/RTJ | BW | | 50 | 2" | 49 | 45 | 22 | F10 | 120 | 114 | 178 | 216 | 28 | 25 | 49 | 45 | 22 | F10 | 120 | 114 | 216 | 216 | 30 | 24 | | 65 | 2 1/2" | 64 | 50 | 24 | F10 | 150 | 120 | 190 | 241 | 35 | 28 | 64 | 50 | 24 | F10 | 150 | 120 | 241 | 241 | 40 | 31 | | 80 | 3" | 76 | 55 | 28 | F12 | 180 | 140 | 203 | 283 | 55 | 49 | 76 | 55 | 28 | F12 | 180 | 140 | 283 | 283 | 60 | 49 | | 100 | 4" | 100 | 55 | 32 | F12 | 235 | 164 | 229 | 305 | 80 | 71 | 100 | 55 | 32 | F12 | 235 | 164 | 305 | 305 | 90 | 72 | | 150 | 6" | 150 | 72 | 38 | F16 | 250 | 229 | 394 | 457 | 190 | 182 | 150 | 72 | 38 | F16 | 250 | 229 | 403 | 403 | 200 | 169 | | 200 | 8" | 200 | 81 | 50 | F25 | 280 | 275 | 457 | 521 | 290 | 277 | 200 | 81 | 50 | F25 | 280 | 275 | 502 | 521 | 325 | 280 | | 250 | 10" | 250 | 81 | 55 | F25 | 320 | 315 | 533 | 559 | 445 | 423 | 250 | 81 | 55 | F25 | 320 | 315 | 568 | 559 | 490 | 424 | | 300 | 12" | 300 | 110 | 63 | F25 | 390 | 355 | 610 | 635 | 570 | 553 | 300 | 110 | 63 | F25 | 390 | 355 | 648 | 635 | 690 | 598 | | 350 | 14" | 350 | 110 | 68 | F25 | 420 | 387 | 686 | 762 | 780 | 747 | 350 | 110 | 68 | F25 | 420 | 387 | 762 | 762 | 990 | 872 | | 400 | 16" | 400 | 115 | 78 | F25 | 555 | 436 | 762 | 838 | 1520 | 1481 | 400 | 115 | 78 | F25 | 555 | 436 | 838 | 838 | 1810 | 1665 | | 450 | 18" | 450 | 115 | 92 | F25 | 600 | 470 | 864 | 914 | 2300 | 2266 | 450 | 115 | 92 | F25 | 600 | 470 | 914 | 914 | 2620 | 2440 | | 500 | 20" | 500 | 115 | 98 | F30 | 635 | 525 | 914 | 991 | 2500 | 2460 | 500 | 115 | 98 | F30 | 635 | 525 | 991 | 991 | 2860 | 2635 | | 600 | 24" | 600 | 130 | 105 | F30 | 710 | 616 | 1067 | 1143 | 3950 | 3904 | 600 | 130 | 105 | F30 | 710 | 616 | 1143 | 1143 | 4430 | 4075 |
|